Clutch Mccutcheon Pilot . Clutch mccutcheon speaks out about the death of his brother, frank, and the shock caused by charges against frank’s widow, brenda.subscribe to wyff on youtub. Richard clutch mccutcheon has served in the military for 26 years. Today, from what we can tell, the former fighter pilot for the arkansas national guard, us marine corps, and fedex now serves as a pilot for an aviation company. Ax15/nv3550/nv4500 roller pilot bearing,.750 i.d. 26 year marine corps fighter pilot During veteran's day week, we would like to recognize our employees and their families who have served in the united states. Former pilot at fedex express. Roller pilot bearing for ax15,.
from www.flickr.com
Richard clutch mccutcheon has served in the military for 26 years. 26 year marine corps fighter pilot Roller pilot bearing for ax15,. Clutch mccutcheon speaks out about the death of his brother, frank, and the shock caused by charges against frank’s widow, brenda.subscribe to wyff on youtub. Former pilot at fedex express. Today, from what we can tell, the former fighter pilot for the arkansas national guard, us marine corps, and fedex now serves as a pilot for an aviation company. Ax15/nv3550/nv4500 roller pilot bearing,.750 i.d. During veteran's day week, we would like to recognize our employees and their families who have served in the united states.
Navy Pilot LtJg Don McCutcheon Somewhere Over the Pacific … Flickr
Clutch Mccutcheon Pilot Today, from what we can tell, the former fighter pilot for the arkansas national guard, us marine corps, and fedex now serves as a pilot for an aviation company. 26 year marine corps fighter pilot Richard clutch mccutcheon has served in the military for 26 years. During veteran's day week, we would like to recognize our employees and their families who have served in the united states. Roller pilot bearing for ax15,. Former pilot at fedex express. Today, from what we can tell, the former fighter pilot for the arkansas national guard, us marine corps, and fedex now serves as a pilot for an aviation company. Ax15/nv3550/nv4500 roller pilot bearing,.750 i.d. Clutch mccutcheon speaks out about the death of his brother, frank, and the shock caused by charges against frank’s widow, brenda.subscribe to wyff on youtub.
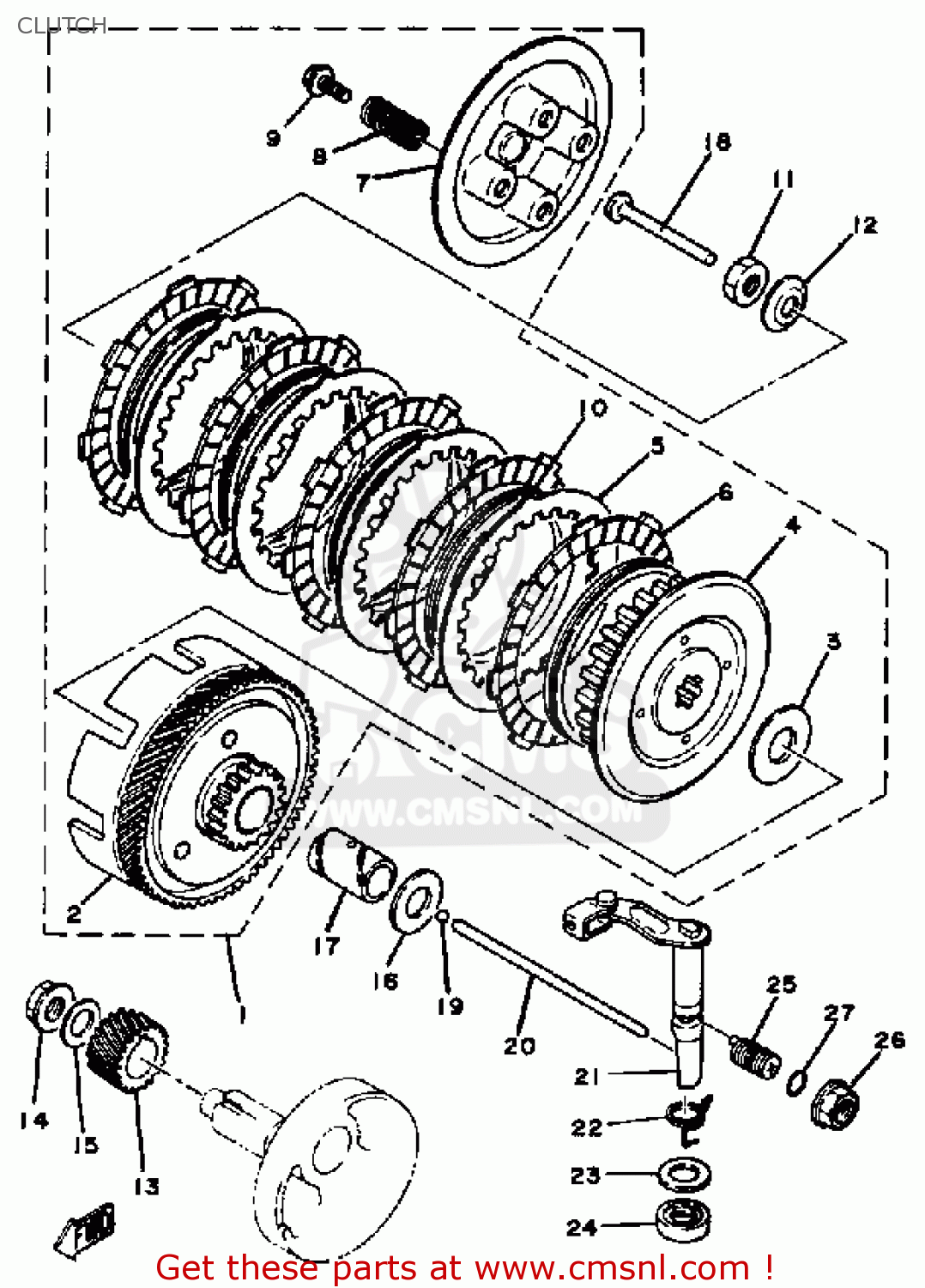
From www.cmsnl.com
19610351A Boss, Clutch Ducati buy the 19610351A at CMSNL Clutch Mccutcheon Pilot Clutch mccutcheon speaks out about the death of his brother, frank, and the shock caused by charges against frank’s widow, brenda.subscribe to wyff on youtub. Former pilot at fedex express. During veteran's day week, we would like to recognize our employees and their families who have served in the united states. Today, from what we can tell, the former fighter. Clutch Mccutcheon Pilot.
From rubflex.cn
PO Clutch Rubflex products include pneumatic clutch,VC clutch,CB Clutch Mccutcheon Pilot Former pilot at fedex express. 26 year marine corps fighter pilot Richard clutch mccutcheon has served in the military for 26 years. Roller pilot bearing for ax15,. Clutch mccutcheon speaks out about the death of his brother, frank, and the shock caused by charges against frank’s widow, brenda.subscribe to wyff on youtub. During veteran's day week, we would like to. Clutch Mccutcheon Pilot.
From www.copelandfuneralhomes.com
Michael McCutcheon Obituary February 5, 2021 Coraopolis, PA Clutch Mccutcheon Pilot Ax15/nv3550/nv4500 roller pilot bearing,.750 i.d. During veteran's day week, we would like to recognize our employees and their families who have served in the united states. Richard clutch mccutcheon has served in the military for 26 years. 26 year marine corps fighter pilot Today, from what we can tell, the former fighter pilot for the arkansas national guard, us marine. Clutch Mccutcheon Pilot.
From celebritate.com
Carmela Clutch Wiki, Age, Boyfriend, Net Worth, Photos, Videos Clutch Mccutcheon Pilot Clutch mccutcheon speaks out about the death of his brother, frank, and the shock caused by charges against frank’s widow, brenda.subscribe to wyff on youtub. Ax15/nv3550/nv4500 roller pilot bearing,.750 i.d. Richard clutch mccutcheon has served in the military for 26 years. Former pilot at fedex express. Today, from what we can tell, the former fighter pilot for the arkansas national. Clutch Mccutcheon Pilot.
From www.thomaskinkadehq.com
Captain Clutch by Mike Kupka Art For Sale Clutch Mccutcheon Pilot Richard clutch mccutcheon has served in the military for 26 years. Former pilot at fedex express. During veteran's day week, we would like to recognize our employees and their families who have served in the united states. Roller pilot bearing for ax15,. Clutch mccutcheon speaks out about the death of his brother, frank, and the shock caused by charges against. Clutch Mccutcheon Pilot.
From www.valeo.com
Heavy duty truck clutches for commercial vehicles Valeo Clutch Mccutcheon Pilot Clutch mccutcheon speaks out about the death of his brother, frank, and the shock caused by charges against frank’s widow, brenda.subscribe to wyff on youtub. Roller pilot bearing for ax15,. During veteran's day week, we would like to recognize our employees and their families who have served in the united states. Richard clutch mccutcheon has served in the military for. Clutch Mccutcheon Pilot.
From imfunerals.com
Obituary of Jack McCUTCHEON In Memoriam Funeral Services Inc. G... Clutch Mccutcheon Pilot 26 year marine corps fighter pilot During veteran's day week, we would like to recognize our employees and their families who have served in the united states. Roller pilot bearing for ax15,. Richard clutch mccutcheon has served in the military for 26 years. Clutch mccutcheon speaks out about the death of his brother, frank, and the shock caused by charges. Clutch Mccutcheon Pilot.
From www.facebook.com
Ace Clutch gaming clutch valorant ace crispy13ar clips CrispyBar Clutch Mccutcheon Pilot During veteran's day week, we would like to recognize our employees and their families who have served in the united states. Richard clutch mccutcheon has served in the military for 26 years. Former pilot at fedex express. Ax15/nv3550/nv4500 roller pilot bearing,.750 i.d. Clutch mccutcheon speaks out about the death of his brother, frank, and the shock caused by charges against. Clutch Mccutcheon Pilot.
From thecinemaholic.com
Clutch and Bekah McCutcheon Now Where is Buddy McCutcheon's Family Clutch Mccutcheon Pilot Former pilot at fedex express. Roller pilot bearing for ax15,. During veteran's day week, we would like to recognize our employees and their families who have served in the united states. 26 year marine corps fighter pilot Today, from what we can tell, the former fighter pilot for the arkansas national guard, us marine corps, and fedex now serves as. Clutch Mccutcheon Pilot.
From www.cmsnl.com
22366HA0010 Cap,clutch Lifter Honda buy the 22366HA0010 at CMSNL Clutch Mccutcheon Pilot Clutch mccutcheon speaks out about the death of his brother, frank, and the shock caused by charges against frank’s widow, brenda.subscribe to wyff on youtub. Richard clutch mccutcheon has served in the military for 26 years. Roller pilot bearing for ax15,. Ax15/nv3550/nv4500 roller pilot bearing,.750 i.d. During veteran's day week, we would like to recognize our employees and their families. Clutch Mccutcheon Pilot.
From www.cmsnl.com
CLUTCH ASSY for DT100 1980 (A) USA order at CMSNL Clutch Mccutcheon Pilot Ax15/nv3550/nv4500 roller pilot bearing,.750 i.d. During veteran's day week, we would like to recognize our employees and their families who have served in the united states. Clutch mccutcheon speaks out about the death of his brother, frank, and the shock caused by charges against frank’s widow, brenda.subscribe to wyff on youtub. Former pilot at fedex express. 26 year marine corps. Clutch Mccutcheon Pilot.
From www.cmsnl.com
2145220A01 Plate,clutch D Suzuki buy the 2145220A01 at CMSNL Clutch Mccutcheon Pilot 26 year marine corps fighter pilot During veteran's day week, we would like to recognize our employees and their families who have served in the united states. Former pilot at fedex express. Ax15/nv3550/nv4500 roller pilot bearing,.750 i.d. Today, from what we can tell, the former fighter pilot for the arkansas national guard, us marine corps, and fedex now serves as. Clutch Mccutcheon Pilot.
From thecinemaholic.com
Clutch and Bekah McCutcheon Now Where is Buddy McCutcheon's Family Clutch Mccutcheon Pilot Former pilot at fedex express. Roller pilot bearing for ax15,. Clutch mccutcheon speaks out about the death of his brother, frank, and the shock caused by charges against frank’s widow, brenda.subscribe to wyff on youtub. 26 year marine corps fighter pilot Today, from what we can tell, the former fighter pilot for the arkansas national guard, us marine corps, and. Clutch Mccutcheon Pilot.
From www.prairiegrit.com
Friction Disc, C4 Clutch HA1981280 Clutch Mccutcheon Pilot Former pilot at fedex express. Roller pilot bearing for ax15,. During veteran's day week, we would like to recognize our employees and their families who have served in the united states. Clutch mccutcheon speaks out about the death of his brother, frank, and the shock caused by charges against frank’s widow, brenda.subscribe to wyff on youtub. Ax15/nv3550/nv4500 roller pilot bearing,.750. Clutch Mccutcheon Pilot.
From www.couriermail.com.au
Search for missing pilot ends in tragedy The Courier Mail Clutch Mccutcheon Pilot 26 year marine corps fighter pilot Ax15/nv3550/nv4500 roller pilot bearing,.750 i.d. During veteran's day week, we would like to recognize our employees and their families who have served in the united states. Clutch mccutcheon speaks out about the death of his brother, frank, and the shock caused by charges against frank’s widow, brenda.subscribe to wyff on youtub. Roller pilot bearing. Clutch Mccutcheon Pilot.
From thecinemaholic.com
Clutch and Bekah McCutcheon Now Where is Buddy McCutcheon's Family Clutch Mccutcheon Pilot During veteran's day week, we would like to recognize our employees and their families who have served in the united states. Clutch mccutcheon speaks out about the death of his brother, frank, and the shock caused by charges against frank’s widow, brenda.subscribe to wyff on youtub. Ax15/nv3550/nv4500 roller pilot bearing,.750 i.d. Richard clutch mccutcheon has served in the military for. Clutch Mccutcheon Pilot.
From clutch.softonic.jp
Clutch for Android 無料・ダウンロード Clutch Mccutcheon Pilot 26 year marine corps fighter pilot Former pilot at fedex express. Ax15/nv3550/nv4500 roller pilot bearing,.750 i.d. Today, from what we can tell, the former fighter pilot for the arkansas national guard, us marine corps, and fedex now serves as a pilot for an aviation company. Richard clutch mccutcheon has served in the military for 26 years. Clutch mccutcheon speaks out. Clutch Mccutcheon Pilot.
From www.hellomagazine.com
Martine McCutcheon's ultimate partywear guide for Christmas 2021 HELLO! Clutch Mccutcheon Pilot 26 year marine corps fighter pilot During veteran's day week, we would like to recognize our employees and their families who have served in the united states. Roller pilot bearing for ax15,. Richard clutch mccutcheon has served in the military for 26 years. Today, from what we can tell, the former fighter pilot for the arkansas national guard, us marine. Clutch Mccutcheon Pilot.